Thể loại: Chia sẻ kinh nghiệm, Tất cả về đèn LED
Số lượt xem: 168995
Bình luận về bài viết: 24
Đèn LED tự chế
Chủ đề của ánh sáng LED là, gần đây, một trong những phổ biến nhất. Trong hầu hết các trường hợp, trên Internet, trong số các nguồn sáng tự chế, tôi phải gặp đèn được làm bằng đèn LED riêng và lắp đặt trong vỏ bị lỗi đèn tiết kiệm năng lượng cùng với việc cung cấp năng lượng.
Sự sắp xếp này cho phép sử dụng đèn LED thay vì đèn sợi đốt thông thường mà không có bất kỳ sự thay đổi nào của đèn. Độ phức tạp tương đối phải được công nhận là một số nhược điểm của thiết kế này. sản xuất pcbmà thường có hình dạng của một vòng tròn. Một ví dụ về việc triển khai đèn LED tự chế tạo từ các đèn LED riêng lẻ được hiển thị trong Hình. 1.
Đồng thời, ngày nay họ đã trở nên rất phổ biến. dải dẫn. Nhưng, như một quy luật, chúng được sử dụng chủ yếu cho chiếu sáng trang trí và rất hiếm khi - như ánh sáng. Tuy nhiên, nếu không phải để chiếu sáng chính, thì để chiếu sáng cục bộ một số khu vực nhất định, việc sử dụng dải đèn LED có thể khá hiệu quả. Vì vậy, hôm nay chúng ta sẽ nói về việc tạo ra một đèn tự chế đơn giản dựa trên dải đèn LED.

Hình. 1.Đèn LED tự làm bằng đèn LED riêng
Dải LED - Đây là một "bảng mạch in" linh hoạt trên đó các đèn LED không khung và điện trở giới hạn hiện tại. Thiết kế của băng cho phép bạn cắt các mảnh cần thiết từ nó, tùy thuộc vào yêu cầu cụ thể. Gần đường cắt có các miếng tiếp xúc mà dây điện được hàn. Ở phía ngược lại, một màng tự dính được áp dụng cho dải đèn LED. Phổ biến nhất là băng từ nguồn 12V.
Có một lần, tôi đã đặt hàng trên ebay.com một dải đèn LED chống nước 5050 dải LED (Hình 2).
Hình. 2Dải LED chống nước 5050 SMD Dải LED
Dải đèn LED này có các đặc điểm sau: góc phát xạ ánh sáng - 120 độ; điện áp cung cấp - 12 V, mức tiêu thụ hiện tại - 1,2A trên 1 mét; quang thông - lớp bảo vệ 780-900 Lm / m - IP65
Trong gần một năm, băng nằm im, nhưng khi chấn lưu điện tử (ballast điện tử) lần thứ hai "bay ra" trong đèn huỳnh quang được sử dụng để chiếu sáng nơi làm việc gần máy tính, tôi nhận ra rằng tôi cần phải chuyển sang cách tổ chức ánh sáng hiện đại hơn.
Đèn thất bại tương tự đối với đèn huỳnh quang 8 W với chiều dài 30 cm đã được sử dụng làm vỏ. Việc chuyển đổi sang phiên bản LED LED LED rất đơn giản.
Chúng tôi tháo rời đèn, tháo bảng dằn điện tử và dán một dải đèn LED trên bề mặt bên trong của đèn. Tổng cộng có sáu phân đoạn với ba đèn LED trong mỗi phân đoạn, hoặc tổng cộng 18 đèn LED, được lắp đặt với khoảng cách 15 mm giữa chúng (Hình 3).
Hình. 3 Tổng quan về đèn LED tự chế
Không cần thiết phải vứt bỏ chấn lưu điện tử bị lỗi, bảng mạch in của nó có thể được sử dụng cho bộ phận cung cấp điện của đèn của chúng tôi. Và không chỉ bảng, mà còn một số thành phần của nó (tất nhiên, với điều kiện là chúng vẫn còn nguyên vẹn), ví dụ, một cầu diode. Hãy để chúng tôi ở trên các đơn vị cung cấp điện chi tiết hơn.
Để cấp nguồn cho đèn LED, cần sử dụng nguồn điện có chế độ ổn định hiện tại. Nếu không, đèn LED sẽ dần nóng lên đến nhiệt độ tới hạn, điều này chắc chắn sẽ dẫn đến sự thất bại của chúng.
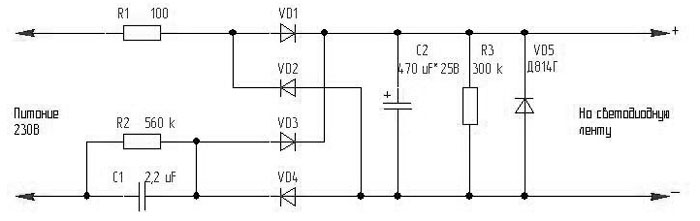
Giải pháp đơn giản và tối ưu nhất trong trường hợp của chúng tôi là sử dụng nguồn điện không biến áp với tụ điện dằn (Hình 4).
Hình. 4 sơ đồcung cấp điện biến áp với tụ điện dằn
Điện áp lưới được triệt tiêu bởi một tụ điện dằn C1 và được đưa đến bộ chỉnh lưu, được lắp ráp trên điốt VD1-VD4.Từ bộ chỉnh lưu, một điện áp không đổi được cung cấp cho bộ lọc làm mịn C2.
Điện trở R2 và R3 được sử dụng để xả nhanh các tụ điện C1 và C2 tương ứng. Điện trở R1 giới hạn dòng điện tại thời điểm bật và diode Zener VD5 giới hạn điện áp đầu ra của nguồn cung cấp ở mức không quá 12 V trong trường hợp dải đèn LED mở.
Phần tử chính của mạch này, đòi hỏi tính toán, là tụ C1. Theo đánh giá của nó, hiện tại mà nguồn cung cấp năng lượng có thể cung cấp được xác định. Cách dễ nhất để tính toán là sử dụng một máy tính đặc biệt.
Dòng điện tối đa, theo dữ liệu hộ chiếu, đối với chiều dài của một đoạn dải LED 30 cm phải là 1,2 A / 0,3 = 400 mA. Tất nhiên, bạn không nên cấp nguồn cho đèn LED với dòng điện tối đa.
Tôi quyết định giới hạn ở mức khoảng 150 mA. Với dòng điện này, đèn LED cung cấp ánh sáng tối ưu (cho nhận thức chủ quan) với ít nhiệt. Nhập dữ liệu ban đầu vào máy tính, chúng ta thu được giá trị của tụ C1 bằng 2.079 F (Hình 5).

Hình. 5 Tính toán tụ điện cho mạch cấp điện của đèn LED tự chế
Chúng tôi chọn đánh giá tụ điện tiêu chuẩn gần nhất liên quan đến tính toán. Nó sẽ là một 2,2 uF danh nghĩa. Điện áp mà tụ được thiết kế phải ít nhất 400V.
Sau khi tính toán tụ điện dằn và chọn các thành phần của mạch cung cấp điện, chúng tôi đặt chúng lên bảng của chấn lưu điện tử bị lỗi. Đó là mong muốn để loại bỏ tất cả các phần không cần thiết (ngoại trừ cầu nối bốn điốt). Sự xuất hiện của bảng cung cấp điện được hiển thị trong hình. 6.
Hình. 6Sự xuất hiện của bảng cung cấp điện
Chúng tôi kết nối dải đèn LED với nguồn điện, bật nó lên mạng và kiểm tra đèn tự chế đang hoạt động.
Sau khi lắp và kiểm tra hoạt động của nguồn điện, hãy lắp đặt nó vào vỏ và đặt đèn nâng cấp từ dải đèn LED thay cho hoạt động liên tục (Hình 7).
Hình. 7 dải đèn LED tự chế
Chú ý! Mạch cung cấp điện này là biến áp và không có cách ly điện từ nguồn điện. Trong quá trình cài đặt và vận hành, cần tuân thủ nghiêm ngặt các quy định an toàn. Nguồn điện phải được lắp đặt trong vỏ làm bằng vật liệu cách điện, cần phải đảm bảo không thể chạm vào các bộ phận sống của nó trong quá trình vận hành đèn.
Mikhail Tikhonchuk
Xem thêm tại electro-vi.tomathouse.com
:





